常州市合泰電機電器有限公司 |
|
| 聯系人:于益平 | 電話:0519-88898178(總機) 0519-88385510(銷售) |
| 傳真:0519-88770911 | 地址:江蘇省常州市武進區遙觀鎮勤新村工業集中區 |
| 郵編: | 郵箱:info@ht-motor.com |
| 網址:http://www.ht-motor.com | |
產品名稱:微型行星齒輪箱
產品型號:36PA-8Φ36mm
使用材料:-
產品規格:-
所屬分類:微型行星齒輪箱系列
文檔下載:點擊下載PDF文件36PA-8
產品簡介:
PLANETGEARHEAD(微型行星齒輪箱)
GeneralSpecifications(詳細說明):
HousingMaterial(外殼材料)………………………Metal(金屬)
BacklashatNo-Load(無負荷時背隙)………………≤2.5º
BearingatOutput(輸出軸承)………………………BallorSleeve
PermissibleOverhungload(徑向負荷)……………≤3.5kg
PermissibleThrustLoad(軸向負荷)………………≤2.5kg
Max.Radialplay(最大徑向間隙)……………………≤0.05mm
Max.Thrustplay(最大軸向間隙)……………………≤0.3mm
Note:OverhungLoad(徑向負荷)at10mmfromflange
ElectricalSpecifications(技術數據):
| 齒輪箱型號 Model |
減速比 Reduction Radio 1:x |
精確減速比 Exact Reduction Ratio 1:x |
傳動級數 Number Of Gear Train # |
最大允許力距 Rated Permissible Torque (Kg.cm) |
瞬間允許力距 Momentary Permissible Torque (kg.cm) |
效率 Efficiency (%) |
齒輪箱長度 Gear Box Length (mm) |
|
36PA0005G-8 |
4 | 3 12/17 | 1 | 15 | 45 | 85 | 31.1 |
|
36PA0005G-8 |
5 | 5 2/11 | |||||
|
36PA0013G-8 |
14 | 13 212/289 | 2 | 20 | 60 | 72 | 38.8 |
|
36PA0019G-8 |
19 | 19 38/187 | |||||
|
36PA0027G-8 |
27 | 26 103/121 | |||||
|
36PA0051G-8 |
51 | 50 4397/4913 | 3 | 25 | 75 | 61 | 46.5 |
|
36PA0071G-8 |
71 | 71 524/379 | |||||
|
36PA0100G-8 |
100 | 99 104/2057 | |||||
|
36PA0139G-8 |
139 | 139 184/1331 | |||||
|
36PA0189G-8 |
189 | 188 51013/83521 | 4 | 30 | 90 | 52 | 54.3 |
|
36PA0264G-8 |
264 | 263 39370/54043 | |||||
|
36PA0369G-8 |
369 | 368 28689/34969 | |||||
|
36PA0515G-8 |
516 | 515 14250/14641 | |||||
|
36PA0720G-8 |
721 | 720 14481/14641 | |||||
|
36PA0977G-8 |
977 | 977 318590/918731 | 5 | 35 | 100 | 45 | 61.8 |
|
36PA1367G-8 |
1367 | 1366 352585/594473 | |||||
|
36PA1911G-8 |
1911 | 1910 332327/384659 | |||||
|
36PA2672G-8 |
2672 | 2671 224176/2248897 | |||||
|
36PA3736G-8 |
3736 | 3736 5521/1605 |
適用范圍:
1.3540/540/550/572永磁直流電機2.36BLDC/42BLDC直流無刷電機3.39BYG/42BYG步進電機
*以上僅為代表產品,派生產品可根據客戶要求制作
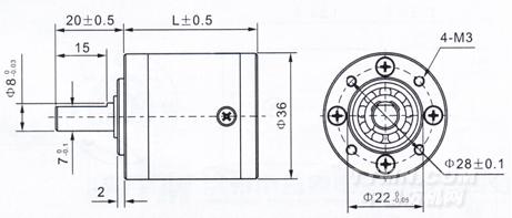
MechanicalDimensions(外型圖)
.jpg)









|
無錫二橡膠股份有限公司 |
常州市潤源經編機械有限公司 |
|
青島云龍紡織機械有限公司 |
黃石經緯紡織機械有限公司 |