常州市合泰電機電器有限公司 |
|
| 聯系人:于益平 | 電話:0519-88898178(總機) 0519-88385510(銷售) |
| 傳真:0519-88770911 | 地址:江蘇省常州市武進區遙觀鎮勤新村工業集中區 |
| 郵編: | 郵箱:info@ht-motor.com |
| 網址:http://www.ht-motor.com | |
產品名稱:齒輪箱電機系列
產品型號:57BYGH齒輪箱電機系列
使用材料:-
產品規格:-
所屬分類:齒輪箱電機系列
文檔下載:點擊下載PDF文件57BYGH
產品簡介:
HYBRIDSTEPPINGGEARMOTOR(齒輪箱電機系列)
GeneralSpecifications(詳細說明):
StepAccuracy…………………………………………………±5%
TemperatureRise…………………………………………80℃Max
AmbientTemperatureRange…………………………-20℃~+50℃
InsulationResistance………………………100MΩMin.500VCDC
DielectricStrength………………………………500VAC1minute
ElectricalSpecifications(技術數據):
| 電機型號 Model |
步矩角 Step angle (º) |
機身長 Motor Length L(mm) |
相電壓 Rated voltage (V) |
相電流 Rated Current (A) |
相電阻 Phase Resistance (Ω) |
相電感 Phase Inductance (mH) |
靜力矩 Holding Torque (g.cm) |
引線數 Lead Wire (NO.) |
轉動慣量 Rotor Inertia (kg.cm²) |
減速比 Gear Radio |
重量 Motor weight (kg) |
| 57BYGH009-06BAG30 | 1.8 | 41 | 57 | 1 | 5.7 | 5.7 | 3.9 | 6 | 120 | 30:1 | 0.45 |
| 57BYGH206-05BAG10 | 1.8 | 51 | 6.6 | 1 | 6.6 | 8.2 | 7.2 | 6 | 275 | 10:1 | 0.65 |
|
57BYGH402AG15 |
1.8 | 56 | 12 | 0.6 | 20 | 29 | 8.5 | 6 | 300 | 15:1 | 0.7 |
|
57BYGH630-07AG20 |
1.8 | 76 | 3.2 | 2.8 | 1.13 | 5 | 18.9 | 4 | 480 | 20:1 | 1 |
*以上僅為代表產品,派生產品可根據客戶要求制作
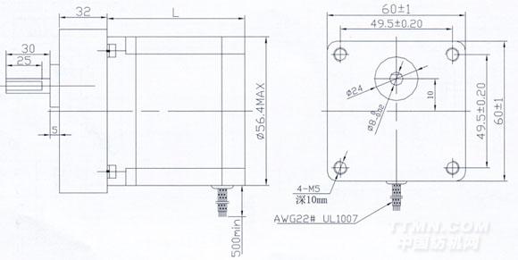
Mechanical Dimensions(外型圖)
.jpg)
Wiring diagram(接線圖):
.jpg)









|
無錫二橡膠股份有限公司 |
常州市潤源經編機械有限公司 |
|
青島云龍紡織機械有限公司 |
黃石經緯紡織機械有限公司 |