常州市合泰電機電器有限公司 |
|
| 聯系人:于益平 | 電話:0519-88898178(總機) 0519-88385510(銷售) |
| 傳真:0519-88770911 | 地址:江蘇省常州市武進區遙觀鎮勤新村工業集中區 |
| 郵編: | 郵箱:info@ht-motor.com |
| 網址:http://www.ht-motor.com | |
產品名稱:混合式步行電機
產品型號:85HS
使用材料:-
產品規格:-
所屬分類:混合式步進電機系列
文檔下載:點擊下載PDF文件85HS
產品簡介:
HYBRIDSTEPPINGMOTOR(混合式步進電機)
GeneralSpecifications(詳細說明):
StepAccuracy…………………………………………………±5%
TemperatureRise…………………………………………80℃Max
AmbientTemperatureRange…………………………-20℃~+50℃
InsulationResistance………………………100MΩMin.500VCDC
DielectricStrength………………………………500VAC1minute
ElectricalSpecifications(技術數據):
| 電機型號 Model |
步矩角 Step angle (º) |
機身長 Motor Length L(mm) |
相電壓 Rated voltage (V) |
相電流 Rated Current (A) |
相電阻 Phase Resistance (Ω) |
相電感 Phase Inductance (mH) |
靜轉矩 Holding Torque (N.cm) |
引線數 Lead Wire (NO.) |
轉動慣量 Rotor Inertia (kg.cm²) |
重量 Motor weight (kg) |
|
85HS68-1404-xx |
1.8 |
68 | 5.6 | 1.4 | 4 | 24 | 2.8 | 4 | 1 | 1.8 |
| 85HS68-4004-xx |
1.8 |
68 | 2.4 | 4 | 0.6 | 2.8 | 2.8 | 4 | 1 | 1.8 |
| 85HS80-4208-001 |
1.8 |
80 | 4.6 | 2.97 | 1.55 | 6.76 | 3.2 | 8 | 1.4 | 2.3 |
|
85HS80-5504-001 |
1.8 |
80 | 2.2 | 5.5 | 0.4 | 3.5 | 4.5 | 4 | 1.4 | 2.3 |
|
85HS97-3008-001 |
1.8 |
97 | 4.8 | 3 | 1.6 | 8 | 5 | 8 | 1.8 | 2.8 |
|
85HS97-4006-001 |
1.8 |
97 | 3.4 | 4 | 0.85 | 5 | 4.4 | 6 | 1.8 | 2.8 |
|
85HS116-4208-001 |
1.8 |
116 | 5 | 4.2 | 1.2 | 6.5 | 6 | 8 | 2.7 | 3.6 |
|
85HS116-5004-001 |
1.8 |
116 | 5 | 5 | 1 | 11 | 8.5 | 4 | 2.7 | 3.6 |
|
85HS126-6404A-xx |
1.8 |
126 | 1.8 | 6.4 | 0.28 | 2.85 | 7 | 4 | 3 | 3.8 |
|
85HS126-4008-001 |
1.8 |
126 | 6 | 4 | 1.5 | 8 | 6.8 | 8 | 3 | 3.8 |
|
85HS131-7004-xx |
1.8 |
131 | 2.8 | 7 | 0.4 | 4 | 9 | 4 | 3.3 | 4.2 |
|
85HS131-3004-xx |
1.8 |
131 | 5.1 | 3 | 1.7 | 18 | 9 | 4 | 3.3 | 4.2 |
|
85HS155-5004-001 |
1.8 |
155 | 4 | 5 | 0.8 | 10 | 11 | 4 | 3.6 | 5 |
|
85HS155-6504-001 |
1.8 |
155 | 3.9 | 6.5 | 0.6 | 7 | 11 | 4 | 3.6 | 5 |
*以上僅為代表產品,派生產品可根據客戶要求制作
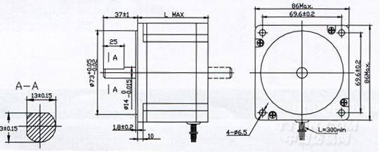
Mechanical Dimensions(外型圖)
.jpg)
Wiring diagram(接線圖):
.jpg)









|
無錫二橡膠股份有限公司 |
常州市潤源經編機械有限公司 |
|
青島云龍紡織機械有限公司 |
黃石經緯紡織機械有限公司 |