- [新聞]-->熔融紡絲計量泵的介紹
- [產品]-->熔融紡絲計量泵
- [產品]-->滌綸、錦 綸、氨綸、碳纖維、芳綸、芳砜綸、高強聚乙烯、腈綸、丙綸
- [產品]-->紡POY及FDY短絲
產品推薦
產品分類
聯系方式
- 聯系人:鄭祖波
- 郵 箱:466599775@qq.com
- 地 址:西安市西咸新區灃東新城趙家堡工業園天臺四路B區12號
- 手 機:15091181047
- 電 話:029-89119943
- 傳 真:029-89119943
- 網 址:http://www.xarhby.com
齒輪計量泵|計量齒輪泵|紡絲進口計量泵|紡絲計量泵|高精度計量泵
發布時間:2014-07-08




產品介紹:
■適用于化工、化纖、橡塑、生物、食品、醫藥等行業.
■能跟各種設備配套使用.
■接受客戶特殊要求訂貨.
【紡絲泵】
適用于化工、化纖、食品、生物、醫藥等行業。廣泛用于滌綸、錦綸、氨綸、碳纖維、芳綸、芳砜綸、高強聚乙烯、腈綸、丙綸、維尼綸、醋酸纖維、粘膠纖維、助劑、油脂、油漆、增粘劑等的精密計量。
同一規格的泵,其流量大小均一,且相對于標準流量差值極微.當泵的出口壓力變動時,其流量變化也很小。
使用范圍
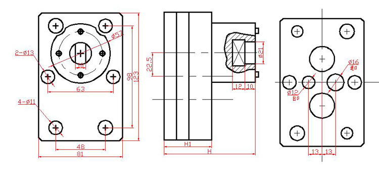
進口數:1
出口數:1~16
排量:0.2~200毫升/轉
粘度:10~600000厘泊
使用溫度: 0~320℃(取決于介質)
清洗溫度:≤500℃(取決于介質)
進口壓力:0.01—9MPa(取決于介質粘度)
出口壓力:≤25 MPa (取決于介質粘度)
轉速:10—200轉/分(取決于介質粘度)
轉向:順時針(可按客戶要求定制)

|
主要用途:紡滌綸,丙綸,棉綸短絲 進口數:1 出口數:1 出口壓力:30Mpa 工作轉速:5~40rpm 最大壓力差:25Mpa 工作溫度:≤330℃ 清洗溫度:≤450℃
|
Main application:spinning:spinning process of the staple fibre of polyester, polyamide and polypropylene Number of inlet ports:1 Number of outlet ports:1 Outlet pressure:30Mpa Speed range:5~40rpm Max differential pressure:25Mpa Operation temperature:≤330℃ Cleaning temperature:≤450℃
|
|
型號 TYPE |
每口排量 CAPACITY PERPORT(cc/rev) |
尺寸規DIMENSION(mm) |
|
|
H1 |
H |
||
|
JHA1X9 |
9 |
46 |
88 |
|
JHA1X12 |
12 |
56.6 |
91.6 |
|
JHA1X13 |
13 |
58.5 |
93.5 |
|
JHA1X15 |
15 |
61.5 |
96.5 |
|
JHA1X20 |
20 |
69.3 |
104.3 |
|
JHA1X25 |
25 |
75.2 |
110.2 |
|
JHA1X30 |
30 |
82.6 |
117.6 |






西安瑞華泵業制造有限公司銷售合同
供方:西安瑞華泵業制造有限公司 合同編號:
簽訂地點:西安
需方: 簽訂時間:
一、產品名稱、型號、數量、價款及交貨時間
|
產品名稱 |
規格型號 |
生產廠家 |
單位 |
數量 |
單價 |
總金額 |
交提貨時間數量 |
|
|
|
|
|
|
|
|
|
|
|
|
|
|
|
|
|
|
|
|
|
|
|
|
|
|
|
|
|
|
|
|
|
|
|
|
|
|
|
|
|
|
|
|
|
|
|
|
|
|
|
|
|
|
|
合計人民幣金額大寫:
|
|||||||
二、 質量要求、技術標準、供方對質量負責的條件和期限:按紡織部標準及樣本安裝尺寸驗收。
三、 交(提)貨地點、方式:需方指定地點。
四、 運輸方式及到站(港)和費用負擔:鐵路快件或汽車快運,供方負擔運費。
五、 包裝標準、包裝物的供應與驗收:
六、 驗收標準方法及提出的異議和期限:
七、 隨機配品、配件工具數量及供應方法:
八、 結算方式及期限:首付30%預付款、65%款到發貨,余5%為保質金3個月無質量事故一次結清。
九、 如需方提供擔保,另立合同擔保書,作為合同附件。
十、 違約責任《合同法》。
十一、 解決合同糾紛的方式,因履行本合同發生的爭議,由當事人協商解決,如不成,依法向人民法院起訴。
十二、 其他約定事項:預付款收到,合同生效。
注:蓋章后請傳真回一份
廠家貨源正品
嚴格質檢/二次檢驗/品質保證 請放心購買!!! 瑞華泵業,品牌有保證。
所有泵均為本公司生產瑞華泵業紡絲計量泵,保證正品,一手貨源,現貨供應,特殊需求可為您量身定制。
關于尺碼
不同泵體尺寸根據設計結構有所不懂,規格主要按流量區分,流量單位cm3/rev。
例如產品編號50cc,即50cm3/rev,50立方米
關于顏色
所有產品均為使用材質金屬顏色,無涂層更清楚看到我們使用的優質材質,如果有需求可按客戶需求加工改造上色。
由于寶貝圖片受拍攝距離,角度,光線和顯示器不同而有所區別,請以實物為準。所有產品圖均為實拍,未經色調,光澤處理。
貨物簽收
為保障您的權益,請務必同送貨人員的面拆包驗貨。如發現包裝破損,商品以及數量不符合的情況下請勿簽收,請第一時間聯系我們確認問題,雙方協商處理。若您簽收后再反饋此類問題,我們無法追究及承擔相關責任。
關于售后
本店出售的所有產品均為全新,原裝,正品。收到產品請嚴格按要求進行安裝使用,若有問題請第一時間聯系我們技術人員,我們將協助您解決關于產品各種問題。








