- [產品]-->精密齒輪減速電機80ZGP555
- [產品]-->精密齒輪減速電機56ZGP555
- [產品]-->精密齒輪減速電機48BPP20
產品推薦
產品分類
聯系方式
- 聯系人:于益平
- 郵 箱:info@ht-motor.com
- 地 址:江蘇省常州市武進區遙觀鎮勤新村工業集中區
- 電 話:0519-88898178(總機) 0519-88385510(銷售)
- 傳 真:0519-88770911
- 網 址:http://www.ht-motor.com
伺服電機SD-2H220MA
發布時間:2012-04-11
產品名稱:伺服電機
產品型號:SD-2H220MA
使用材料:-
產品規格:-
所屬分類:伺服電機
產品簡介:
概述
SD系列伺服電機及伺服電機驅動器是由常州合泰電機電器有限公司最新推出的高科技產品。隨著電子技術的高速發展,電子產品的工藝和性能也不斷更新和提高,該伺服電機采用超大規模的硬件集成電路,具有高度的抗干擾性及快速的響應性,從根本上解決了傳統步進電機低速爬行、存在共振區、噪音大、高速力矩小、啟動頻率低及驅動器可靠性差等缺點。該伺服電機適合驅動相電流在8.2A以下的任何一款高壓兩相或四相步進電機,廣泛應用于數控機床、紡織機械、針織設備、包裝機械、醫療設備、電子元件制造等一系列自動化控制領域。
特點
●交流伺服電流環原理,實時電流跟蹤補償,低速更平穩。
●高速力矩輸出提高40%,避免丟步(空載啟動速度達300~420r/min)最高轉速達3500r/min。
●靈活的輸出電流設定,適配不同型號電機,同時具備自動半電流功能,減少電機發熱。
●最大50細分設定,滿足各種機械傳動,而且不影響其輸出力矩。
●保護功能全:輸入電源過壓、欠壓、輸出過流、相間短路、驅動器高溫等報警保護功能。
●電機低速無爬行現象,噪音小,無共振區。
性能指標
電氣性能(環境溫度Tj=25ºC時)
| 輸入電源 | 60~110V交流電源供電。典型值:110V |
| 輸出電流 | 1.82A~8.28A,8檔可調,分辨率0.91A。 |
| 驅動方式 | 純正弦PWM驅動輸出。 |
| 絕緣電阻 | 常溫常壓下>500MΩ |
| 絕緣強度 | 常溫常壓下500V/分鐘。 |
| 重 量 | 約850克 |
環境要求
| 冷卻方式 | 自然冷卻。 |
| 使用場合 | 避免粉塵、油霧及腐蝕性氣體。 |
| 使用溫度 | 0ºC~+50ºC。 |
| 環境濕度 | <80%RH,不凝露,不結霜。 |
| 震 動 | 最大不超過5.7m/s2。 |
| 保 存 | -20ºC~+125ºC,避免灰塵,最好使用原包裝盒。 |
功能及使用
一。電源接口AC
交流60~110VDC,用戶須注意隔離變壓器,不可超過110V,以免損壞驅動器一般的。電源電壓越高,電機的力矩輸出越大,可避免高速丟步現象,但同時也會導致低速振動加大以及發熱,使用時應根據現場機械要求合理調整供電電壓。另外過高的電源電壓,使驅動器母線電壓基準抬高,與電機在減速制動時產生的能量回饋疊加,很容易觸及驅動器高壓報警閥值,產生報警現象。
二。設定輸出電流
本驅動器設計8檔輸出電流選擇,由驅動器上的編碼開關(SW1SW2SW3)設定,電流大小以最大值標稱。SD-2H0086MB型驅動器最大可提供8.28A的輸出電流,電流設定分辨率為0.91A。編碼開關(SW1SW2SW3)組合的每一種狀態代表一個電流值輸出設定,參見下表
電流輸出設定表
| SW1 | SW2 | SW3 | 輸出電流 | SW1 | SW2 | SW3 | 輸出電流 |
| ON | ON | ON | 8.28A | ON | ON | OFF | 4.65A |
| OFF | ON | ON | 7.37A | OFF | ON | OFF | 3.63A |
| ON | OFF | ON | 6.46A | ON | OFF | OFF | 2.73A |
| OFF | OFF | ON | 5.56A | OFF | OFF | OFF | 1.82A |
重要
在設定此參數時務必使驅動器處于不加電源或加電源但電機未運行的狀態,這樣可避免因電流突變對驅動器功率逆變部分產生的沖擊。參數設定完畢請關閉電源,重新上電后新參數才會有效。不規范的操作可能會造成驅動器的損壞!
1.自動半電流
驅動器在控制脈沖信號停止施加0.1秒左右,會自動進入半電流狀態,這時電機相電流為運行時的50%,以降低功耗和保護電機,收到新的控制脈沖后驅動器自動退出半點流狀態,此功能由驅動器面板上撥碼開關(SW4)來設定:OFF--自動半流有效、ON--自動半流無效。自動半電流設定同樣是必須在驅動器未加電或已加電但電機未運行時,設定完畢請關閉電源,重新上電后新參數才會有效。
2.驅動器細分設定
用戶可以通過調整驅動器面板上撥碼開關(SW5SW6SW7SW8)的狀態來設定16種細分模式。此16種細分模式基本上涵蓋了用戶對電機步距角的要求。具體設置參見下表或驅動器的外殼絲印面板圖。細分數設定同樣是必須在驅動器未加電或已加電但電機未運行時。設定完畢請關閉電源,重新上電后新參數才會有效。
細分設定表
| sw5 | sw6 | sw7 | sw8 | 每秒脈沖 | 步距角 | sw5 | sw6 | sw7 | sw8 | 每轉脈沖 | 步距角 |
| ON | ON | ON | ON | 400 | 0.900º | ON | ON | ON | OFF | 2400 | 0.150º |
| OFF | ON | ON | ON | 500 | 0.720º | OFF | ON | ON | OFF | 3200 | 0.1125º |
| ON | OFF | ON | ON | 600 | 0.600º | ON | OFF | ON | OFF | 4000 | 0.090º |
| OFF | OFF | ON | ON | 800 | 0.450º | OFF | OFF | ON | OFF | 5000 | 0.072º |
| ON | ON | OFF | ON | 1000 | 0.360º | ON | ON | OFF | OFF | 6000 | 0.060º |
| OFF | ON | OFF | ON | 1200 | 0.300º | OFF | ON | OFF | OFF | 6400 | 0.05625º |
| ON | OFF | OFF | ON | 1600 | 0.225º | ON | OFF | OFF | OFF | 8000 | 0.045º |
| OFF | OFF | OFF | ON | 2000 | 0.180º | OFF | OFF | OFF | OFF | 10000 | 0.036º |
3.保護功能
當輸入電源過壓、輸出過流、相間短路報警中任何一個報警產生時,驅動器面板上的紅色狀態指示燈會亮起,同時自動切斷電機使能,使電機處于脫機狀態。最大限度的保護驅動器和電機的安全。
控制接口
1.脈沖輸入接口PULS+、PULS-
步進脈沖接口PULS:步進電機驅動器把上位控制裝置發出的脈沖信號轉化為步進電機的角位移,驅動器每接受一個脈沖信號PULS,就驅動步進電機旋轉一個步距角,PULS的頻率和步進電機的轉速成正比。該信號接收為標準差分接收電路,推薦指令脈沖采用差分輸出方式,實際中指令脈沖也存在集電極開路輸出方式,在標準接線圖中我們將詳細介紹。對于最佳輸入要求,此信號最好是占空比1:1,脈沖信號的頻率要求不大于500KHz;脈沖信號的寬度要求不小于1μS,詳細要求見下圖。
.jpg)
2.方向輸入接口DIR+、DIR-
方向電平信號DIR:此信號決定電機的旋轉方向。比如說,此信號為高電平時電機為順時針旋轉,此信號為低電平時電機則為反方向逆時針旋轉,此種換向方式,我們稱之為脈沖加方向模式。
如果驅動器輸入信號為電壓信號,要求:3.6V≤高電平≤5.5V;-5.5V≤低電平≤0.3V,最常用的為TTL電平。如果驅動器輸入信號為電流信號,要求:7mA≤高電流≤18mA;-18mA≤低電流≤0.2mA。脈沖信號的頻率要求不大于500KHz;脈沖信號的寬度要求不小于1μS;脈沖信號的驅動電流要求為7-18mA。
3.使能信號接口ENBL+、ENBL-:
使能信號ENBL:用驅動器的上下電進行電機通斷電操作會使驅動器快速老化,為避免這種情況。本驅動器設計了使能信號(ENBL)輸入端口,即通常所說的脫機電平信號(FREE)。用戶可隨時控制此信號,當此信號有效時,驅動器將自動切斷電機繞組電流,使電機處于自由(不通電)狀態。當此信號在不連接時默認為無效狀態,這時電機繞組通過電流,可正常工作。此信號的接收電路與脈沖輸入接口電路一致,此信號有效的含義為使得驅動器內部接收光耦導通。
4.電機動力輸出:
本品適合驅動相電流在8.28A以下4線、6線或8線的任何一款兩相或四相步進電機。電機繞組接線共有五種接法,見下圖:
.jpg)
根據上圖所示的五種接線方式,應合理設定驅動器輸出電流,理論上電流設定越大,電機力矩輸出越大,可用于避免電機高速丟步現象,但同時也會引起電機的溫升。一般的,高速輸出的接線方式其輸出電流設定在電機額定相電流的1.4倍;高力矩輸出的接線方式其輸出電流設定在電機額定相電流的70%。實際應用中,應將電流設定在電機長期工作表面溫升不超過+80℃的范圍內。
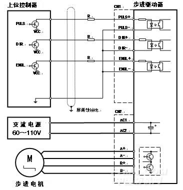
標準接線圖
.jpg)
當VCC電源為+5V時,無需串接電阻,即為0Ω。
當VCC電源為+12V時,電阻R應選1KΩ/0.25W.
當VCC電源為+24V時,電阻R應選2KΩ/0.25W。
驅動器與上位控制器的連接電纜最好選擇帶屏蔽,屏蔽層連接標準地或上位控制器接地端。
根據驅動器輸出電流設置選擇電源線和電機動力線的直徑,一般不要小于1mm²線經。
PNP集電極開路脈沖控制方式:
.jpg)
當VCC電源為+5V時,無需串接電阻R,即為0Ω。
當VCC電源為+12V時,電阻R應選1KΩ/0.25W。
當VCC電源為+24V時,電阻R應選2KΩ/0.25W。
驅動器與上位控制器的連接電纜最好選擇帶屏蔽,屏蔽層連接標準大地或上位控制器接地端。
根據驅動器輸出電流設置選擇電源線和電機動力線的直徑,一般不要小于1mm²線經。
.jpg)
推薦采用此種脈沖輸出方式。
差分驅動芯片推薦采用26LS31或同類品。
驅動器與上位控制器的連接電纜最好選擇帶屏蔽,屏蔽層連接標準大地或上位控制器接地端。
根據驅動器輸出電流設置選擇電源線和電機動力線的直徑,一般不要小于1mm²線經。
.jpg)






