- [產品]-->YWK-50壓力控制器
- [產品]-->KD3051C型差壓、表壓與絕壓變送器
- [產品]-->KD3051C型差壓、表壓與絕壓變送器
您所在的位置:紡機網 >> >> YE-100B、YE-150B不銹鋼膜盒壓力表
產品推薦
產品分類
聯系方式
- 聯系人:葛澤彪
- 郵 箱:kedi@kediyb.com
- 地 址:上海市滬太路315弄1號1104室
- 手 機:13818500929
- 電 話:86-021-56539135,86-021-56538862
- 傳 真:86-021-56538663
- 網 址:http://www.kediyb.com
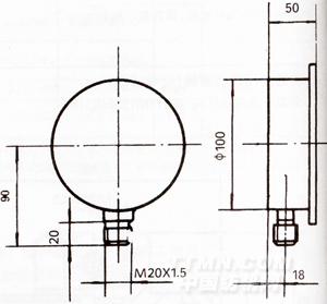
YE-100B、YE-150B不銹鋼膜盒壓力表
發布時間:2018-06-12
.jpg)
YE-100B、YE-150B不銹鋼膜盒壓力表
說明:
不銹鋼膜盒壓力表參照原膜盒壓力表的結構特點而研制的具有耐腐蝕作用的微壓表。應用于鍋爐通風和氣體管道等設備上,在耐腐要求較高的工藝程中測量各種氣體介質的微壓和負壓。為國內用戶對引進的國外先進技術設備中同類儀表實現國產化的理想配套產品。
□主要技術指標
精確度等級:2.5
測量范圍:(kPa)
0~4;0~6;0~10;0~16;0~25;0~40;0~60;
-4~0;-6~0;-10~0;-16~0;
-25~0;-40~0;-2~2;-3~3;-5~5;
-8~8;-12~12~;-20~20
使用環境條件:-25~55℃,相對濕度不大于80%抗工作環境振動:V·H·3級
重量:0.4kg
□結構原理
儀表由測量系統(包括接頭、波紋膜盒等),傳動機構(包括拔桿機構,齒輪傳動機構),指示部件(包括指針與度盤)和外殼(包括表殼、襯圈和表玻璃)所組成。儀表的工作原理是基于波紋膜盒在被測介質的壓力作用下,其自由端產生相應的彈性變形,再經齒輪傳動機構的傳動并予放大,由固定于齒輪軸上的指針逐將被測值在度盤上指示出來。還有調零裝置,可以方便調整零位。
.jpg)
●導壓系統及外殼的材料
|
另件名稱
|
材料牌號
|
|
接頭
|
1Cr18Ni19
|
|
膜盒
|
1Cr18Ni19
|
|
表殼、表蓋、表環
|
1Cr18Ni19
|






