搜索:
- [產品]-->YWK-50壓力控制器
- [產品]-->KD3051C型差壓、表壓與絕壓變送器
- [產品]-->KD3051C型差壓、表壓與絕壓變送器
您所在的位置:紡機網 >> >> YXCN-100、YXCN-150耐振磁助式電接點壓力表
產品推薦
產品分類
聯系方式
- 聯系人:葛澤彪
- 郵 箱:kedi@kediyb.com
- 地 址:上海市滬太路315弄1號1104室
- 手 機:13818500929
- 電 話:86-021-56539135,86-021-56538862
- 傳 真:86-021-56538663
- 網 址:http://www.kediyb.com
YXCN-100、YXCN-150耐振磁助式電接點壓力表
發布時間:2018-06-12
.jpg)
YXCN-100、YXCN-150耐振磁助式電接點壓力表
說明:
1、概述
該系列電接點壓力表適用于一般壓力表允許的工作條件。配以相應的電氣元器件,能對被測的輸出信號和系統自動控制。
YXC系列產品具有工作可靠,接點功率大的優點;
YXN系列產品適用于有機械振動和介質脈動的條件具有良好的抗振性能。
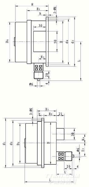
2、規格示意
.jpg)
3、額定負載參考值
|
電 壓 V
|
電阻性負載電流A
|
電感性負載電流A
|
|
|
AC
|
DC
|
||
|
380
|
0.08
|
|
0.045
|
|
220
|
0-135
|
0.13
|
0.065
|
|
110
|
0.27
|
0.25
|
0.13
|
|
50
|
0.5
|
0.4
|
0.2
|
|
<40
|
≤1
|
|
|
4、技術參數
|
產 品 型 號
|
YX-100 YXN-100
|
YX-150 YXN-150
|
|
公 稱 直 徑
|
Ф100
|
Ф150
|
|
接 頭 螺 紋
|
M20x1.5
|
|
|
精 確 度 等 級
|
1.0 1.5
|
|
|
測 量 范 圍
|
-0.1~0.15 -0.1~0.3 -0.1~0.5 - 0.1~0.9 -0.1~1.5 -0.1~2.4 0~0.16 0~0.25 0~0.4 0~0.6 0~1 0~1.6 0~2.5 0~4 0~6 0~10 0~16 0~25 0~40 0~460
|
|
|
使用環境條件
|
溫度-40-70℃ 相對濕度≤85%
|
|
|
耐 振 等 級
|
YXC系列V.H.3 YXN系列V.H.4
|
|
|
電接點裝置的技術參數
|
最高工作電壓:DC220V AC380V
|
|
|
觸點最大功率:30VA(阻性負載)
|
||
|
控制方式:可調節上、下限緩行磁助接點開關
|
||
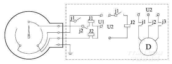
5、電接點壓力表電氣原理圖
.jpg)
6、外形尺寸
.jpg)






