表1 電機參數
電機額定功率 31kW
額定電流 64A
額定頻率 40Hz
極對數 12
額定電壓 380V
額定輸出轉矩 1500N•M
地面直驅螺桿泵永磁同步電機功率為31kW,額定電流為64A,充分考慮其高啟動扭矩的負載特點,選用Goodrive300-037G/045P-4變頻器驅動。由于在螺桿泵停機時,存在彈性反扭矩,抽油桿柱將高速反轉,若不加以限制,勢必會造成抽油桿脫扣。因此,可以采取電氣能耗制動的方法防止反轉,利用泄放電阻進行能耗制動,將抽油桿儲存的彈性變形能帶動電機軸旋轉發出的電能釋放。電路中采用常開/常閉觸點的交流接觸器組。正常工作時,交流接觸器主觸點閉合,驅動器與力矩電機繞組連接,電機正常運行。斷電時,交流接觸器主觸點斷開,電機繞組與驅動器斷開,同時交流接觸器輔助觸點閉合,電機繞組與3個能耗電阻短接。如果螺桿泵反轉,則電機變成了發電機,發出的電在電阻上消耗,即把傳動桿變形產生的機械能轉化成電阻上的熱能消耗,此時電機轉子會緩慢地反轉直至停止,達到保護目的。地面直驅式螺桿泵的電氣控制原理圖如圖5所示。

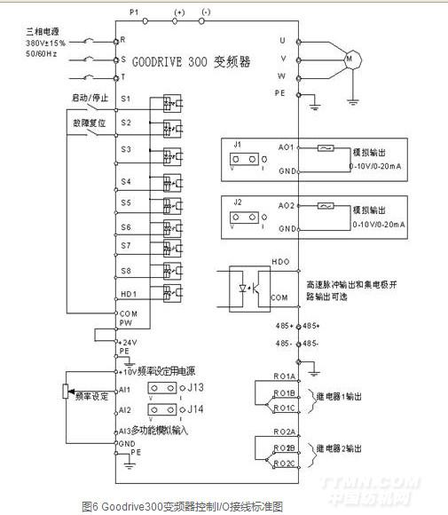
地面直驅螺桿泵抽油機在變頻柜門板上進行操作,變頻控制柜門板上有啟動、停止、故障復位按鈕,相應的變頻器控制方案是端子控制方式,若以后井場實行數字化,Goodrive300所標準配置的Modbus通訊協議將為其提供井場底層數字化解決方案。Goodrive300變頻器控制I/O接線標準圖如圖6所示。
.jpg)
Goodrive300變頻器通過自身提供的接線端子,輔以電氣控制回路,對螺桿泵實現本地控制,整個系統安裝在變頻柜中,變頻柜的合理設計是保證其在惡劣條件下(如多沙塵地區)長期穩定工作的關鍵。
按照電氣控制方案接線圖將系統連線接好,經過現場試驗,啟動轉矩達到1800 N•M以上,在不超過420伏的情況下,變頻器拖動滿負荷電機運行轉速可達到230轉/分,電流始終維持在64.5A左右,輸出電流波形也非常好,超出用戶的要求。
5、結束語
通過在油田長時間的運行觀察和一線員工的反饋,由Goodrive300驅動的地面直驅式螺桿泵抽油機系統運行良好,與傳統的異步機帶減速裝置驅動螺桿泵的方式相比,節電率高達30%以上。目前,經過將近1年的實踐運行,INVT的Goodrive300變頻器受到了油田工作人員的好評。實踐證明,Goodrive300在驅動直驅式螺桿泵永磁電動機上有著可靠的性能,變頻器本身亦有諸多的技術特色,作為具有專門針對同步電動機功能的通用型變頻器,Goodrive300將為油田的節能改造和數字建設提供底層解決方案。
參考文獻
[1] 深圳英威騰電氣股份有限公司. Goodrive300矢量通用型變頻器說明書[Z].2010.