深圳蒲江機電有限公司 |
|
| 聯系人:陳凱 | 電話:0755-86170789 |
| 傳真:0755-86171515 | 地址:深圳市南山區創業路現代城華庭四棟10A |
| 郵編:518000 | 郵箱:2480713845@qq.com |
| 網址:http://www.szpujiang.com | |
硬齒面減速機JRTK系列
產品參數:
產品型號: JRTK額定功率:0.12~200KW電壓:null轉速/極數:null減速比:5.36~17550安裝方式:null
詳細參數
硬齒面減速機JRTK系列為斜齒輪-傘齒輪減速機,有底腳安裝斜齒輪,底腳空心軸安裝斜齒輪,底腳空心軸鎖緊盤安裝斜齒輪,B5法蘭安裝斜齒輪等型號。硬齒面減速機也叫硬齒面減速器或硬齒面減速箱。
硬齒面減速機JRTK系列有以下幾種設計方案:
JRTKA..BD:底腳安裝斜齒輪--傘齒輪減速電機
JRTKV..B D..:底腳花鍵空心軸(DIN5480)安裝斜齒輪--傘齒
JRTHK..B D..:底腳空心軸鎖緊盤安裝斜齒輪--傘齒輪減速電機
JRTKF..B5 法蘭安裝斜齒輪--傘齒輪減速電機
JRTKAF..D:B5法蘭空心軸安裝斜齒輪--傘齒輪減速電機
JRTKVF..D:B5法蘭花鍵空心軸(DIN5480)安裝斜齒輪--傘齒輪減速電機
JRTKHF..D..:B5法蘭空心軸鎖緊盤安裝斜齒輪--傘齒輪減速電機
JRTKA..D..:空心軸安裝斜齒輪--傘齒輪減速電機
JRTKV..D..:花鍵空心軸(DIN5480)安裝斜齒輪--傘齒輪減速電機
JRTKH..D:空心軸鎖緊盤安裝斜齒輪--傘齒輪減速電機
JRTKAZ..D..:B14法蘭空心軸安裝斜齒輪-傘齒輪減速電機
JRTKVZ..D..:B14法蘭花鍵空心軸(DIN5480)安裝斜齒輪--傘齒輪減速電機
JRTKHZ..D..:B14法蘭空心軸鎖緊盤安裝斜齒輪--傘齒輪減速電機。
硬齒面減速機JRTK系列使用說明:
1.1安裝注意事項
11.1 減速機須安裝在平整堅固的底座上,底腳螺栓必須緊固、防震。
1.1.2 原動機--減速機--工作機的各聯接軸伸.安裝后必須互相準確對準軸線。
1.1.3 減速機輸入端及輸出端軸伸外徑尺寸公差均按h6制作.與之相配的聯軸器、皮帶輪、鏈輪等傳動件內孔須按合適的尺寸公差配制,避免裝配過緊損壞軸承.裝配過松影響正常動力傳遞。
1.1.4 鏈輪、齒輪等傳動件裝上軸伸時.應盡量靠近軸承.以減少軸伸彎曲應力。
1.1.5 WPD型減速機裝配電機時,應在蝸桿頭部內孔孔壁及鍵槽處涂抹黃油.避免裝配過緊.防止軸孔日久生銹。
1.1.6 訂購使用各類WPD減速機時.若電機重量偏大.應設支撐裝置。
1.2使用注意事項
1.2.1 使用前應注憊檢查減速機型式結構、中心距規格、傳動比、拍入軸連接方式、輸出軸結構、輸入軸輸出軸軸指向和回轉方向等是否符合使用要求。
1.2.2 按照樣本上“油品潤滑”中所規定的要求,注入合適的品種牌號潤滑油。加油后,旋緊頂部的通氣器,拔掉通氣器上之小錐塞.減速機方可開始運轉.必須選用合適牌號的潤滑油.必須控制適宜的加油量。必須按規定要求及時換油.尤其要重視首次使用100小時后的更換新油。
1.2.3 使用過程中發生不正常情況時.應及時停機檢查,可參照“故障分析’表處理。(減速機的油溫最高允許達到95℃.在此溫度界限下.只要油溫不再上升.可以放心使用)。
杰牌傳動,產品遵循模塊化、最優化設計理念,致力于打造中國一流的“精密傳動”、“驅動模塊”制造基地。 公司全套引進德國技術,擁有世界一流的加工檢測生產線,產品出口歐美,替代進口,廣泛服務于各大工業領域,專為中高端用戶提供高可靠性的傳動設備和服務!
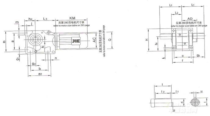
硬齒面減速機JRTK系列詳細圖紙:









|
無錫二橡膠股份有限公司 |
常州市潤源經編機械有限公司 |
|
青島云龍紡織機械有限公司 |
黃石經緯紡織機械有限公司 |