湖北行星傳動設備有限公司 |
|
| 聯系人:陳麗華 | 電話:027-82666066 |
| 傳真:027-59706390 | 地址:湖北省武漢市武昌區街道口珞珈山大廈A2507室 |
| 郵編:510300 | 郵箱:gearmotor_gz@126.cn |
| 網址:http://www.cngearboxes.com/ | |
.jpg)
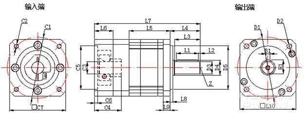
安裝尺寸:
.jpg)
特點: 減速機為方型,法蘭連接,與電機配套協調,結構更緊湊,
體積小,確保最大的抗扭剛性和輸出承載能力。
應用領域:主要使用在數控機床、機床改造、包裝機械和軍工等行業
技術參數:
外形尺寸: 40mm---400mm
減速比: 3---512
傳遞力矩: 5Nm---16660Nm
精密側隙:≤5arcmin
安裝方式: 任意…
[1][2]下一頁>>









|
無錫二橡膠股份有限公司 |
常州市潤源經編機械有限公司 |
|
青島云龍紡織機械有限公司 |
黃石經緯紡織機械有限公司 |