江蘇精亞環境科技有限公司 |
|
| 聯系人:江蘇精亞環境科技有限公司 | 電話:0510-86125888 |
| 傳真:0510-86121800 | 地址:江蘇省江陰市新橋鎮河西路96號 |
| 郵編: | 郵箱:sales@jingya.com |
| 網址:#Null | |
JYPW-1 NO.20C噴霧通風機技術參數
|
轉速 |
葉片角 |
序號 |
流量 |
全壓 |
電 機型號 |
|
750 |
4° |
1 |
182000 |
801 |
Y315M-8-75 |
|
2 |
204500 |
750 |
|||
|
3 |
227000 |
668 |
|||
|
4 |
244500 |
582 |
|||
|
5 |
262000 |
476 |
|||
|
0° |
1 |
157000 |
727 |
Y315S-8-55 |
|
|
2 |
177500 |
680 |
|||
|
3 |
198000 |
606 |
|||
|
4 |
214000 |
529 |
|||
|
5 |
230000 |
435 |
|||
|
-3° |
1 |
138000 |
652 |
Y280M-8-45 |
|
|
2 |
156500 |
610 |
|||
|
3 |
175000 |
542 |
|||
|
4 |
189500 |
470 |
|||
|
5 |
204000 |
381 |
|||
|
-6° |
1 |
118000 |
591 |
Y280S-8-37 |
|
|
2 |
134000 |
559 |
|||
|
3 |
150000 |
505 |
|||
|
4 |
166000 |
427 |
|||
|
5 |
182000 |
327 |
|||
|
580 |
4° |
1 |
140747 |
479 |
Y280S-8-37 |
|
2 |
158147 |
449 |
|||
|
3 |
175547 |
400 |
|||
|
4 |
189080 |
348 |
|||
|
5 |
202613 |
285 |
|||
|
0° |
1 |
121413 |
435 |
Y250M-8-30 |
|
|
2 |
137267 |
407 |
|||
|
3 |
153120 |
362 |
|||
|
4 |
165493 |
316 |
|||
|
5 |
177867 |
260 |
|||
|
-3° |
1 |
106720 |
390 |
Y225M-8-22 |
|
|
2 |
121027 |
365 |
|||
|
3 |
135333 |
324 |
|||
|
4 |
146547 |
281 |
|||
|
5 |
157760 |
228 |
|||
|
-6° |
1 |
91253 |
353 |
|
|
|
2 |
103627 |
334 |
|||
|
3 |
116000 |
302 |
|||
|
4 |
128373 |
256 |
|||
|
5 |
140747 |
195 |
JYPW-1 噴霧通風機(C式傳動)配用件表
|
機號 |
葉片角 |
轉速 |
單速電機 One-speed Motor |
|||||||
|
電機型號 |
功 率 |
電機帶輪 |
風機帶輪 |
電機型號 |
功 率 |
電機帶輪 |
風機帶輪 |
|||
|
18C |
4° |
750 |
Y315S-8 |
55 |
D5-355 |
D5-355 |
YDT280M2-8/6 |
27/55 |
D5-335 |
D5-425 |
|
580 |
Y250M-8 |
30 |
C5-335 |
C5-425 |
||||||
|
0° |
750 |
Y280M-8 |
45 |
D5-355 |
D5-355 |
YDT280M1-8/6 |
22/45 |
D5-335 |
D5-425 |
|
|
580 |
Y225M-8 |
22 |
C5-335 |
C5-425 |
||||||
|
-3° |
750 |
Y280S-8 |
37 |
D5-355 |
D5-355 |
YDT280S-8/6 |
18/37 |
D5-335 |
D5-425 |
|
|
580 |
Y225S-8 |
18.5 |
C5-335 |
C5-425 |
||||||
|
-6° |
750 |
Y250M-8 |
30 |
D5-355 |
C5-355 |
YDT250M-8/6 |
15/30 |
C5-335 |
C5-425 |
|
|
580 |
Y200L-8 |
15 |
C5-335 |
C5-425 |
||||||
|
20C |
4° |
750 |
Y315M-8 |
75 |
D7-315 |
D7-315 |
||||
|
580 |
Y280S-8 |
37 |
D5-335 |
D5-425 |
||||||
|
0° |
750 |
Y315S-8 |
55 |
D5-355 |
D5-355 |
YDT280M2-8/6 |
27/55 |
D5-335 |
D5-425 |
|
|
580 |
Y250M-8 |
30 |
C5-335 |
C5-425 |
||||||
|
-3° |
750 |
Y280M-8 |
45 |
D5-355 |
D5-355 |
YDT280M1-8/6 |
22/45 |
D5-335 |
D5-425 |
|
|
580 |
Y225M-8 |
22 |
C5-355 |
C5-425 |
||||||
|
-6° |
750 |
Y280S-8 |
37 |
D5-355 |
D5-355 |
YDT280S-8/6 |
18/37 |
D5-335 |
D5-425 |
|
|
580 |
Y225S-8 |
18.5 |
C5-355 |
C5-425 |
||||||
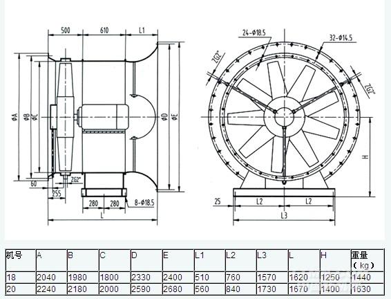
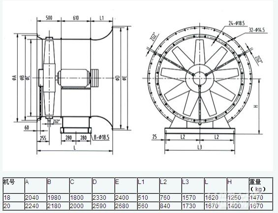
風機的外形與安裝尺寸











|
無錫二橡膠股份有限公司 |
常州市潤源經編機械有限公司 |
|
青島云龍紡織機械有限公司 |
黃石經緯紡織機械有限公司 |