廣州市貴鵬熱能設備制造有限公司 |
|
| 聯系人:魯家德 | 電話:86-020-28603999 |
| 傳真:86-020-86991071 | 地址:廣州市花都區芙蓉鎮第一工業區 |
| 郵編:510860 | 郵箱:info@oshimagz.com |
| 網址:http://www.gpboiler.com/ | |
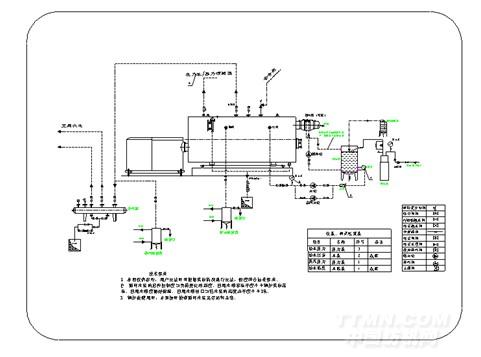
WNS系列生物質顆粒專用鍋爐
WNS系列生物質顆粒專用鍋爐
技術特點:
■本系列產品爐體設計和制造采用三回程、濕背式、偏心爐膛結構,具備良好的傳熱效果,熱效率達到國家規定標準;
■爐膽設計為波形,減少熱膨脹應力,增加輻射受熱面
■產品蒸汽品質高,蒸汽干燥度高達96%以上;
■產品具備壓力、溫度、水位等多重聯鎖安全保護控制;
■產品控制系統自動化程度高,操作簡單、方便,可實現集群控制;
■設計變動負荷大,能滿足復雜工況要求;
■鍋爐制造規范,嚴格按照國家有關標準制造;
■ 整體快裝出廠,外型美觀,色澤明快;
WNS系列生物質顆粒專用鍋爐技術參數









|
無錫二橡膠股份有限公司 |
常州市潤源經編機械有限公司 |
|
青島云龍紡織機械有限公司 |
黃石經緯紡織機械有限公司 |