- [新聞]-->英威騰IPE200變頻器在扁鋼生產線主軋機上的應用
- [新聞]-->英威騰再獲新專利 引領電氣傳動 凸顯研發實力
- [新聞]-->英威騰被逼停建4000萬元變頻器項目
- [產品]-->Goodrive300變頻器
- [產品]-->CHHl00系列高壓變頻器
- [產品]-->CHV中壓系列矢量變頻器
產品推薦
產品分類
聯系方式
- 聯系人:英威騰
- 郵 箱:marketing@invt.com.cn
- 地 址:深圳市南山區龍井高發科技工業園4#樓——英威騰大廈
- 電 話:0755-86028999
- 傳 真:0755-86312937
- 網 址:http://www.invt.com.cn
IPE200變頻器在無縫鋼管線供水系統上的應用
發布時間:2012-08-27
摘 要:在鋼鐵生產的過程中,各種資源和能源的消耗都非常大,我國作為一個能源短缺的國家,節能尤為重要。隨著變頻器行業的日新月異的發展,在風機水泵類負載中,變頻器的應用越來越廣泛。本文主要介紹由INVT IPE200系列變頻器組成的傳動系統在國內508無縫鋼管線供水系統上的應用。
關鍵詞:IPE200變頻器 S7-400 PLC PROFIBUS-DP總線
一、引言
為了能夠可持續的經濟發展,也為了降低產品的生產成本,節能降耗成為各鋼鐵企業的必由之路。在風機水泵類負載中,變頻器的應用可以明顯的起到節能目的,在較短時間內可以收回投資成本,因此變頻器的應用越來越廣泛。國內某公司新上508無縫鋼管生產線,其工廠供水系統水泵驅動采用INVT IPE200變頻器,通過SIEMENS S7-400 PLC協調控制各工藝段,完成整個工廠的供水控制。
二、系統說明
整個供水系統采用西門子S7-400PLC主控,通過PROFIBUS-DP現場總線完成對34臺IPE200變頻器的功能控制,采用WINCC 6.2 上位機監控系統,PLC和上位機之間采用以太網通訊
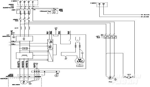
系統配置大致如下圖:
變頻主回路如下圖:
控制方式簡單描述:
單個變頻系統的控制方式分為:自動、手動、就地。
自動模式是最常采用的控制模式。
操作員在WINCC界面上選擇“自動”模式,在變頻器柜允許動作的前提下(如刀熔已經合上、變頻器柜無故障等),操作員按動相應水泵的“起動”按鈕,則變頻器即開始運行。操作員輸入水壓的設定值,控制系統以泵出口管線的壓力測量值為反饋進行閉環調節,并將運算的結果通過PROFIBUS-DP總線送至變頻器執行。
手動模式也是常用的控制模式。
操作員在WINCC界面上選擇“手動”模式,在變頻器柜允許動作的前提下,操作員按動相應水泵的“起動”按鈕,則變頻器即開始運行。變頻器的頻率輸出采用開環調節模式,由操作員在畫面上直接對變頻器頻率進行設置。
就地模式用于調試或檢修時的操作。
在機旁操作箱上的選擇開關都位于“機旁”時,在變頻器柜允許動作的前提下,操作員按動機旁操作箱的“起動”按鈕,則變頻器即開始運行。變頻器的頻率輸出固定值的方式,該值可以在變頻器的參數設定中調整。
傳動對應選型:
|
電機型號
|
電機功率
|
電壓等級
|
變頻器選型
|
變頻器功率
|
|
Y2-315M-4
|
132KW
|
AC 380
|
IPE200-12-0200-4
|
200KW
|
|
Y2-355L-4
|
160KW
|
AC 380
|
IPE200-12-0200-4
|
200KW
|
|
Y2-355M-4
|
250KW
|
AC 690
|
IPE200-12-0300-6
|
300KW
|
|
YLV400-2-4
|
400KW
|
AC 690
|
IPE200-12-0500-6
|
500KW
|
|
YLV400-3-4
|
450KW
|
AC 690
|
IPE200-12-0500-6
|
500KW
|
柜體間PROFIBUS-DP網絡連接如下圖:
三、系統功能程序實現
S7-400PLC通過PROFIBUS-DP現場總線與34臺變頻器進行動態數據的交換,完成整個系統的協調控制;通過遠程站收集并協調各個傳動設備的運行。上位機采用WINCC畫面監控系統,對整個供水系統進行集中控制和監控在線畫面能夠實時了解變頻器運行狀態。
S7-400PLC與IPE200變頻器通訊數據采用PPO4(Parameter Process Data Object)型傳輸PZD(過程數據)數據, STEP7 通過調用SFC14(讀狀態字和實際值) 和SFC15(寫控制字和設定值),完全實現數據的網絡化傳輸與控制,速率自適應。
通訊程序如下:
CALL SFC 14
LADDR :=W#16#200 // IPE200的DP地址
RET_VAL:=DB3.DBW0 //通訊錯誤數據
RECORD :=P#DB2.DBX0.0 BYTE 12 //通訊數據
CALL SFC 15
LADDR :=W#16#200 // IPE200的DP地址
RECORD :=P#DB1.DBX0.0 BYTE 12 //通訊數據
RET_VAL:=DB3.DBW2 //通訊錯誤數據
對于變頻器的啟動與停止,程序實現了不同操作地點對變頻器的操作及設備間的相互連鎖,運算結果通過PROFIBUS-DP總線送至變頻器;對于PID控制,程序完成了水壓的自動閉環控制,同時支持手動控制功能,程序對也對PID輸出進行限幅處理和添加死區功能,確保變頻器能夠更穩定的運行;對于PID的輸出值程序中進行REAL/DWORD轉換,同時對給定字進行字節的高低倒置,以滿足實際IPE200變頻器的需要
四、現場柜體圖片
五、結束語
英威騰IPE200交流傳動系統以其高性能的矢量控制技術和功能完善穩定的PROFIBUS-DP網絡支持,在國內508無縫鋼管生產線供水系統中成功運行,其核心控制及其功率單元實踐證明穩定可靠。從運行效果來看,被控的水壓能夠良好的跟隨設定點,系統地響應速度也能夠完全滿足工藝的要求,節能效果明顯,贏得了客戶的贊譽和認同。
參考文獻:
[1]《IPE200系列變頻器說明書》 深圳英威騰電氣股份有限公司
關于英威騰:
英威騰,成立于2002年,致力于成為全球領先、受人尊敬的電氣傳動、工業控制、新能源領域的產品與服務供應商,2010年在深交所A股上市,股票代碼:002334。英威騰是國家火炬計劃重點高新技術企業,目前擁有11家控股子公司,依托于電力電子、自動控制、電機控制、節能環保、物聯網、信息化等關鍵技術的掌握,主要產品涵括高、中、低壓變頻器、電梯智能整體機、伺服系統、PLC、HMI、電機和電主軸、SVG、UPS、光伏逆變器等。英威騰現有員工1600多人,大型生產基地4個,營銷網絡遍布國內及海外60多個國家和地區。
更多詳情,請訪問公司官網www.invt.com或關注“英威騰官方微博” http://e.weibo.com/invt






